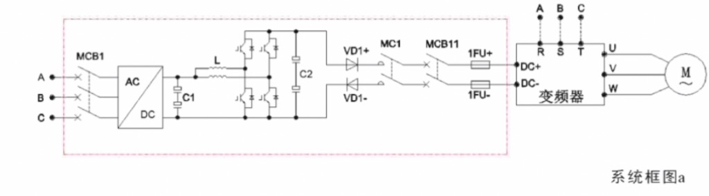
DC-bank系統主要是由儲能單元、VSP模塊、控制單元和饋出單元組成。根據用戶側的需求,它的治理方式分為兩種:一種是利用電網殘壓進行升壓補償,如
框圖a所示:

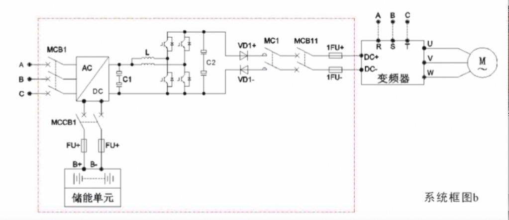
另一種是使用少量儲能單元進行升壓補償,如框圖b所示。

系統框圖b
DC-bank性能與特點:
a) 輸出顯示:采用液晶屏顯示,顯示輸入、輸出電壓、輸出電流、溫度,另外帶有電源工作運行、故障顯示報警指示燈,顯示直觀,操作簡單方便;
b) 具有電壓可設置、支撐記錄、故障記錄功能;
c)保護功能:輸入欠壓、過壓保護、過流保護、過溫保護:
d)可以實現多臺模塊并聯,元余備用或擴大輸出功率:
e)體積小、重量輕、節能環保、效率高;
f)帶有RS-485通信功能,可以方便與其他設備進行數據通信。
DC-Bank系統在半導體行業的主要給PCW、MCU等設備供電,保障變頻器的不間斷供電。